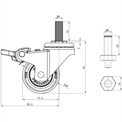
Castor/universal wheel

-